HURTOWNIA ELEKTRYCZNA +48 509 457 074, sklep24@norpol.pl
PL
|
EN
|
DE
|
UK
0
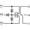
Przekaźnik bistabilny 1P 24V DC 286-380
Promocja

Producent: WAGO

Porównaj Opinie: 0

Nazwa Wartość
Powered by Comarch e-Sklep ®